1 概述
机械压力机的种类多、数量大、分布广,较多工厂都要使用,其振动危害较大。据实际统计资料显示[1—5],压力机基础振动强度通常在60dB—90dB之间,较大型压力机基础振动强度可达130dB(实测)。压力机基础的振动频率成份实测在15Hz~30Hz的范围内。对这种低频振动,人们感觉并不灵敏,但对人体的危害却很大。长期在压力机旁工作的人会出现内分泌失调、失眠、脾气暴躁、反映迟钝等症状。另一方面,压力机激起的基础振动传至车间内其它精密设备,会干扰其正常工作;传至柱基会对厂房造成附加应力;传至办公楼和居民区会影响人们的正常工作和生活,并因此引起厂群矛盾。高速压力机相对低速压力机而言,其行程次数一般在200RPM—1000RPM,其在运行过程中产生的振动往往对周围环境造成不利影响,消除和减少这种影响的有效办法是对其采取隔振措施。
某汽车配件厂有三台用于生产汽车空调散热片的高速压力机,其中两台公称压力为100吨,一台公称压力为50吨,生产时对周围居民造成较大的影响,需进行隔振处理,根据城市区域环境振动标准和生产工艺的需要,厂方对隔振效果有两点要求:(1)采取隔振措施后,压力机台座位移幅值<0.4mm;(2)距高速压力机30m处居民点的环境振动,白天VL<75dB,夜间VL<72dB。本文在探讨高速压力机振动原理的基础上,开展了隔振措施的工程试验研究。
2 高速压力机振动及隔振设计
2.1高速压力机振动分析
一般来说,高速压力机的振动是由激振力(动载荷)的大小来决定的。高速压力机的激振力主要为曲柄滑块机构的惯性力和加工力,一般情况下前者大于后者,但激振频率是前者小于后者。高速压力机的行程次数约为200RPM—1000RPM,其对应的激振频率一般在3Hz~16Hz。
2.2高速压力机隔振设计
(1)激振力
在隔振设计中,激振力即曲柄滑块机构的惯性力,视为正弦力,即:
F0=m 0a(1)
式中m 0——与曲柄连杆机构相连接的运动部分(含上模具)质量
a——运动部分的加速度
其中加速度a可由式(2)求出。
a=ω2X 0=(2πf 扰)2X 0=QN 2X 0Sinωt(2)
式中 Q——系数
N——行程次数
X 0=行程数值(一般指在静态时,上下模具间的距离)
由式(1),(2)可得
F=m 0QN 2X 0Sinωt(3)
由(3)式可以看出,激振力的大小与运动部分的质量和行程次数的平方成正比。因此,在保证产品质量的情况下,适当减少行程次数N,可使激振力有较大幅度减少。
(2)加工力
实际上激振力还包括上、下模具接触时的打击力。打击力相当于瞬时之间上模给下模一个冲量,对于高速压力机来说,此力小于曲柄滑块机构的不平衡惯性力,并且加工力激起的振动频率大于惯性力激起的振动频率。从隔振的观点看,能隔离加工力引起的振动,也就能隔离激振力引起的振动。
2.3高速压力机隔振工程途径
(1)对于每分钟行程次数较高的高速压力机(每分钟行程次数大于400次),隔振系统的固有频率可选择f 惯:f 0>(3~4.5),这样既能有效隔离惯性力,又能很好地隔离加工力,隔振效率较高。
(2)对于每分钟行程次数较低的高速压力机(每分钟行程次数小于400次),一般可以选择隔振系统的固有频率大于惯性力频率,即让惯性力不衰减传入地基而将其他频率较高的扰力隔离,此时,隔振效率较低。
(3)在隔振装置中,将固有频率设计成小于激振惯性力的频率,实际上是利用高速压力机自身整体上下运动的惯性力和曲轴滑块机构的惯性力互相抵消,从而达到隔振的目的。这样高速压力机自身必然产生一定幅值的上下位移。一般将高速压力机的纵向位移控制在0.5mm~3mm范围内对高速压力机本身及产品质量的影响较小。
3 高速压力机隔振实施效果
3.1 高速压力机的隔振
根据测试数据,100吨压力机的振动频率以5Hz为主。在实践中有三种方法可以有效地控制高速压力机的振幅;(a)增大高速压力机的附加质量;(b)用动力吸振器抑制高速压力机的振动;(c)在保证加工质量的情况下,适当降低行程次数。
(1) 采用阻尼弹簧隔振器
假设阻尼比足够大,能够在下一次冲击到来之前将附加位移消除掉,则当阻尼比ξ≥0.1时,台座位移幅度值按式(4)计算:
(4)
(设阻尼比ω≥1)
为获得较高的隔振效率(大于80%),根据实际情况,取压力机和隔振台座的质量总和为60吨,针对f扰=5Hz计算,得隔振系统的总刚度K=10624N/mm,固有频率f=2.1Hz,台座振幅Az=2.2mm。如果兼顾隔振频率,且隔振系统位移振幅要控制在0.4mm以下,则只有同时增加刚度和台座质量,此时隔振系统的质量应为330吨。显然,这样庞大的系统在实际中很难做到。
如果既要降低振幅,又不增加台座质量,只有增加系统的刚度,牺牲一部分隔振频率。在设计中可将隔振系统的固有频率设在基频和一次谐波之间,在本工程中可将固有频率设在5Hz—10Hz之间,取f=7Hz,此时隔离系统对f扰>10Hz以上的振动起隔振作用,但对5Hz的振动会有所放大,取得了一定的隔振效果,并将位移控制在一定幅度之内。
(2)如果位移振幅要求非常严格,则只有继续加大刚度,如采取橡胶隔振装置。
3.2隔振工程实施效果比较
为了降低隔振系统的重心,使高速压力机在运行过程中减少晃动,隔振台座设计成“T”型的钢砼结构,其结构形式如图1所示。
图1 隔振系统台座
(1)当隔振系统采用阻尼弹簧隔振器,总刚度取1000000N/mm,隔振系统总质量M总=60吨时,隔振效果如表1所示,基础箱与基础块的计权振动加速度VLZdB如表2所示。
表1 阻尼弹簧隔振器隔振效果
见表
表2 基础箱与基础块的计权振动加速度VLZdB
见表
距压力机30m处居民住宅前VL78dB,通过以上数据看出,此方案取得了很好的隔振效果,隔振效率已大于85%,但是居民点VL值和压力机的台面振幅均未达到预期效果。
(2)采用高阻尼橡胶隔振垫实施隔振。在隔振系统的质量块下铺设特制的万能橡胶垫,其隔振效果如表3所示。
表3 高阻尼橡胶隔振垫隔振效果
见表
在此情况下,隔振台座位移幅值小于0.1mm,完全满足了加工工艺的要求。就设备运行而言,要比纯刚性连接时稳定且位移还要小。在居民处的振级VL=78dB。
表4 阻尼弹簧隔振器、离阻尼橡胶隔振垫隔振效果比较
见表
从振级落差可以看出,方案一比方案二振级落差大,即隔振效率高,但从VL的角度看,两者相差不多,这是因为计权之故。对于f=35Hz以下的频率,方案一在隔振台座上激发的振动大,故台座上VAL大于方案二,又由于隔振效率高,基础箱上的VAL小于方案二。对于f=35Hz以上的频率,无论是台座上还是基础箱上,方案一的VAL均小于方案二。
方案二的位移幅值要大大小于方案一的位移,满足了加工工艺的要求,但隔振效果仍未达到设计要求,居民处还超标3dB~4dB。
(3)适当降低行程次数
为此,开展了在方案二的基础上,在不影响工艺的情况下,适当降低行程次数的试验。测点示意图如图2所示意,测试结果如表4所示。
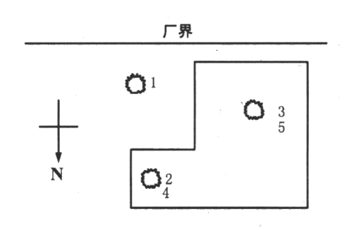
图2 测点位置示意图
4、5.二楼室内中央测点 2、3.一楼室内中间测点 1.一楼室外1米测点
表5 转数与隔振效果的关系
见表
由表5可知,当行程次数减少时,VAL与VL随之下降。如测点1的垂直方向振动,当行程次数由272次/分降到250次/分时,VAL减少,△VAL=76—73.5=2.5dB。△VAL来源于两个方面:
a.由于行程次数降低,惯性力也变小,由此引起的△VAL下降值为:△VAL==2.5dB;
b.冲击时间间隔加长,加工力引起的冲击能量在下一次冲击到来之前能因阻尼消耗大部分,从而使附加位移减少,故使VAL下降。
至此,某汽配厂高速压力机在运行行程次数265次/分时,隔振完全达到了既保证了台座位移小于0.2mm(实际上小于0.1mm),又保证了居民处环境振动达到国家标准(VL小于72dB)的要求。
4 结论
(1)高速压力机隔振是一个比较复杂的问题,在隔振设计时要谨慎从事。
(2)高速压力机行程次数在200SPM—1000SPM之间,对于不同的行程次数,应采用不同的隔振方法。
(3)高速压力机的激振力主要为曲柄滑块结构的惯性力和加工力,一般情况下前者大于后者,但激振频率是前者小于后者。当隔振系统的固有频率和惯性激振力频率之比小于时,对惯性激振力会有隔振效果,对加工力自然更有隔振效果。为了获得更好的隔振效果,可使隔振系统固有频率尽可能降低,但过低的固有频率,工程上难以实现,且会引起台座振幅过大。
(4)隔振效率和台座振幅兼顾问题:a.如果行程次数≥400SPM,则可以采用阻尼弹簧隔振器实施隔振,但弹簧要有足够的阻尼,以消耗在惯性激振力达到高峰时加
管道、设备、工器具清洗消毒作业指导书
印花作业安全风险告知卡
脱水作业安全风险告知卡
拉毛作业安全风险告知卡
开幅作业安全风险告知卡
定型作业安全风险告知卡
经编织造作业安全风险告知卡
烧毛作业安全风险告知卡
工厂安全隐患及预防措施
安全生产事故隐患预防措施
车间岗位安全风险点及控制措施
设备维修安全注意事项
金属切削机械操作安全技术
叉车安全使用注意事项
机械加工厂里常见的安全隐患及预防措施
电流对人体的危害